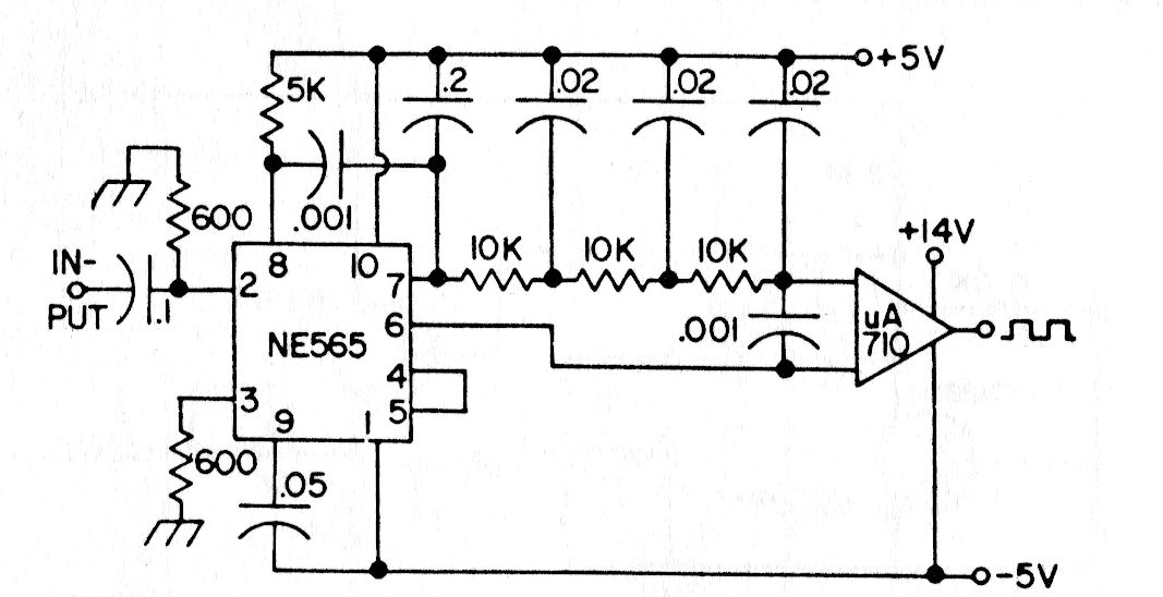
This circuit decodes FSK signals with frequencies of 1070 and 1270 Hz and can be used in data transmission applications by common short-wave transmitters. The circuit is a documentation for radio amateurs of the 70s.
This circuit decodes FSK signals with frequencies of 1070 and 1270 Hz and can be used in data transmission applications by common short-wave transmitters. The circuit is a documentation for radio amateurs of the 70s.