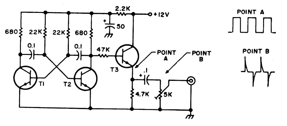
This circuit generates a signal that simulates the waveform of the spoken word. Its purpose is to test audio circuits such as amplifiers, audio transmission lines, etc. The circuit is from the 70s, and modern equivalent transistors can be used.
This circuit generates a signal that simulates the waveform of the spoken word. Its purpose is to test audio circuits such as amplifiers, audio transmission lines, etc. The circuit is from the 70s, and modern equivalent transistors can be used.