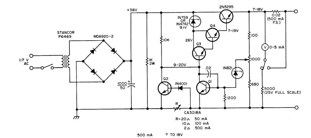
The output current of this source is determined by resistor R. For 20 ohms, we have 50 mA. For 10 ohms we have 100 mA and for 2 ohms we have 500 mA of current. The transistors have equivalents and the one with the highest power must be equipped with a heat sink.




