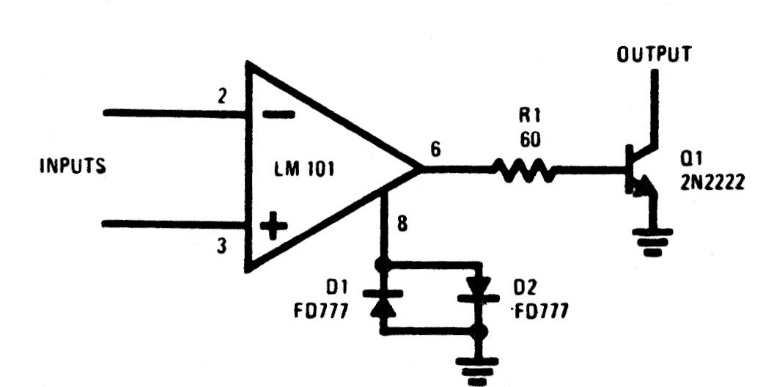
This type of logic is no longer used today. The circuit is from an old American publication and the integrated circuit is uncommon today. Diodes are general-purpose tpes.
The 78XX series voltage regulator integrated circuits do not support an input voltage greater than...
This is the complete circuit of a multimeter using a 50 uA instrument with a 2k coil. The circuit...
This circuit came out in a Popular Electronics from December 1995. It is a double T configuration that...