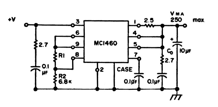
The maximum input voltage of this circuit is 20V and the output current is 250 mA. The circuit is from old documentation. The integrated circuit used is no longer common in our time.
The 78XX series voltage regulator integrated circuits do not support an input voltage greater than...
This is the complete circuit of a multimeter using a 50 uA instrument with a 2k coil. The circuit...
This circuit came out in a Popular Electronics from December 1995. It is a double T configuration that...