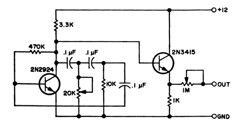
The original purpose of this circuit, which we find in old American documentation, is to modulate an RF carrier for telecommunications applications. Transistors support equivalents.
This simple diode test appears at other points in this section. Or circuit can be adapted to use...
Found in Electronics Now magazine in an issue from the 90s, this circuit is different from the...
This circuit inverts the phase of an audio signal, maintaining its intensity. The transistors can...