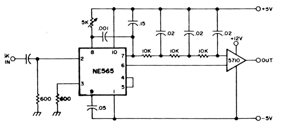
The maximum frequency of this circuit is 500 kHz. We found it in a documentation for radio amateurs from the 1980s. The integrated circuit used is uncommon today.
The 78XX series voltage regulator integrated circuits do not support an input voltage greater than...
This is the complete circuit of a multimeter using a 50 uA instrument with a 2k coil. The circuit...
This circuit came out in a Popular Electronics from December 1995. It is a double T configuration that...