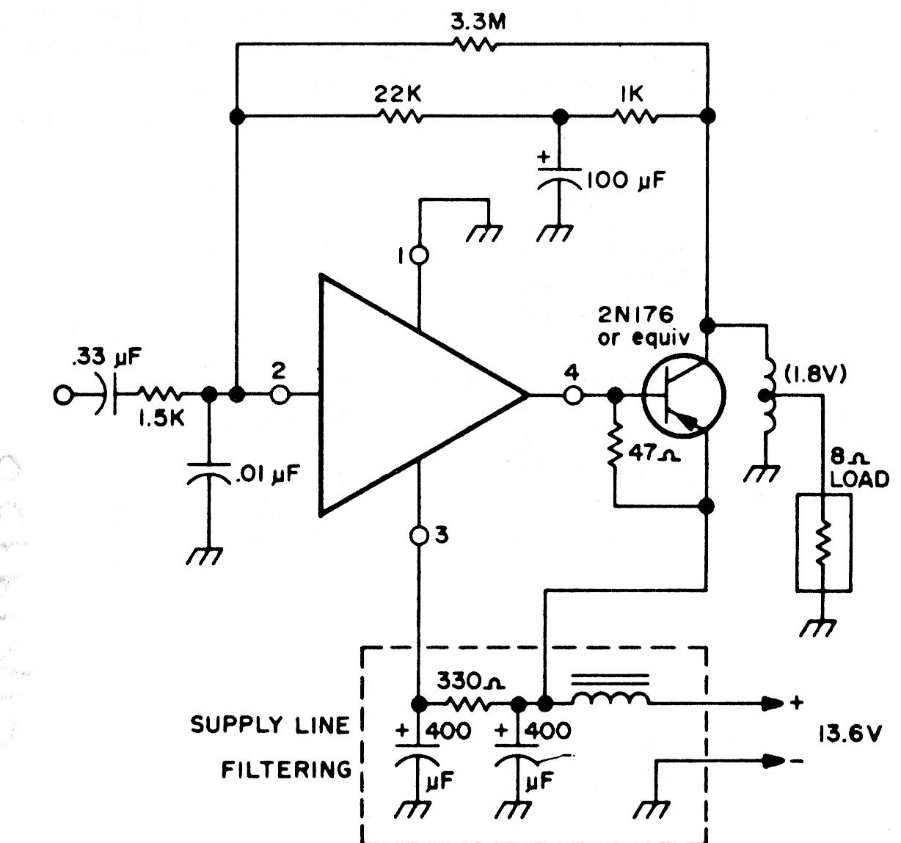
In this circuit, the integrated amplifier used is uncommon today. The circuit is from an American documentation from the 70's making use of a power transistor for output. A TIP32 can be used.
The 78XX series voltage regulator integrated circuits do not support an input voltage greater than...
This is the complete circuit of a multimeter using a 50 uA instrument with a 2k coil. The circuit...
This circuit came out in a Popular Electronics from December 1995. It is a double T configuration that...