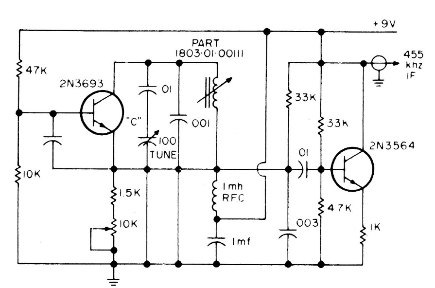
This circuit aims to increase the selectivity of receivers whose FI is 455 kHz. The circuit is from 1975 documentation. The transistors can be the modern BF494 equivalents.
The 78XX series voltage regulator integrated circuits do not support an input voltage greater than...
This is the complete circuit of a multimeter using a 50 uA instrument with a 2k coil. The circuit...
This circuit came out in a Popular Electronics from December 1995. It is a double T configuration that...