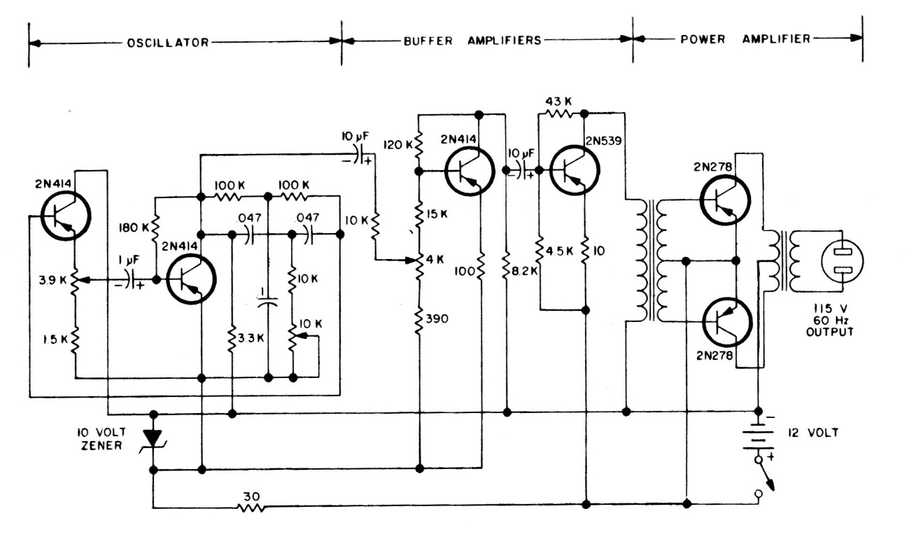
This sophisticated circuit is from a 1975 documentation. The components are from the time and the transformers are also critical components in the project. The circuit operates with a current of at least 12 A of input in 12 V battery, discounting its performance.




