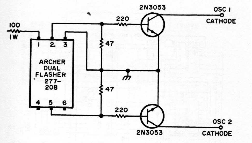
This circuit was found in an old American documentation. Its purpose is a proportional scanning signal for the oscilloscope of the time, which used cathode ray tubes.
We found these circuits in a Popular Electronics from the 90s. The circuit has a simple low power...
This LED diode test is suggested by the Texas Instruments optoelectronics manual. The transformer current...
This RF monitor or field strength meter can use instruments from 100 uA to 1 mA full scale. The...