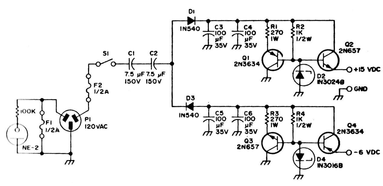
This circuit with transistors and low current was found in American documentation from the 1980s. Transistors can be replaced by modern equivalents. The input capacitors must be polyester with at least 200 V of working voltage for the 110V network.
This circuit with transistors and low current was found in American documentation from the 1980s. Transistors can be replaced by modern equivalents. The input capacitors must be polyester with at least 200 V of working voltage for the 110V network.