The output transistors can be BC548 and BC558. The circuit is from a 1975 documentation showing a frequency response from 90 Hz to 12.5 kHz.
When more current from a digital output is needed than a single output could source or drain, a...
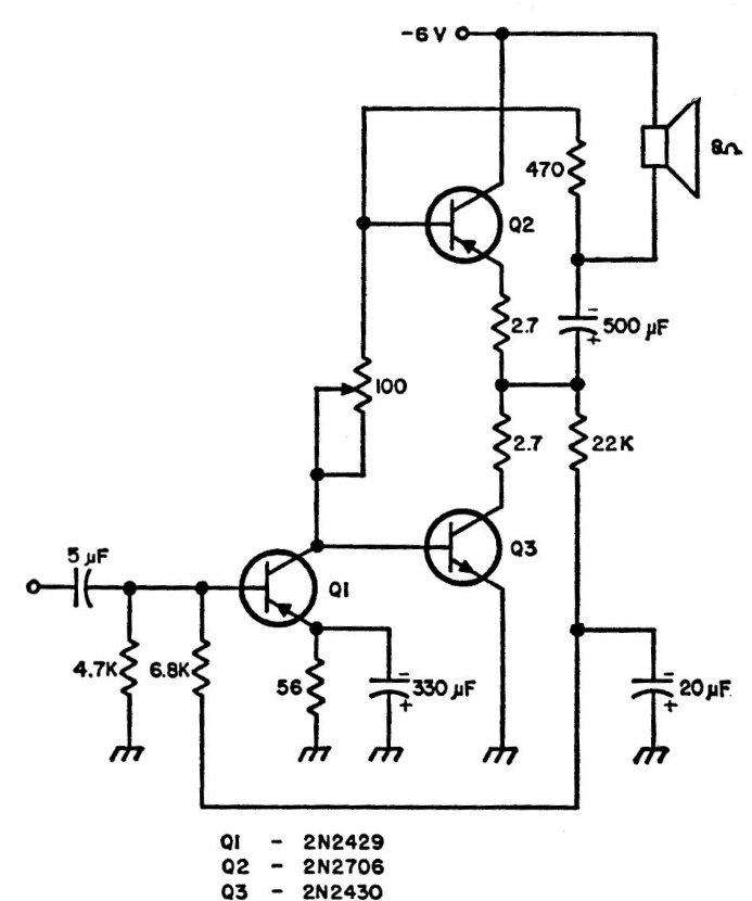
This circuit was obtained from the Radio Electronics Experimenter magazine in a special edition of 1990....
Obtained from an English publication in the 1980s, when a weather station operated in that country at...