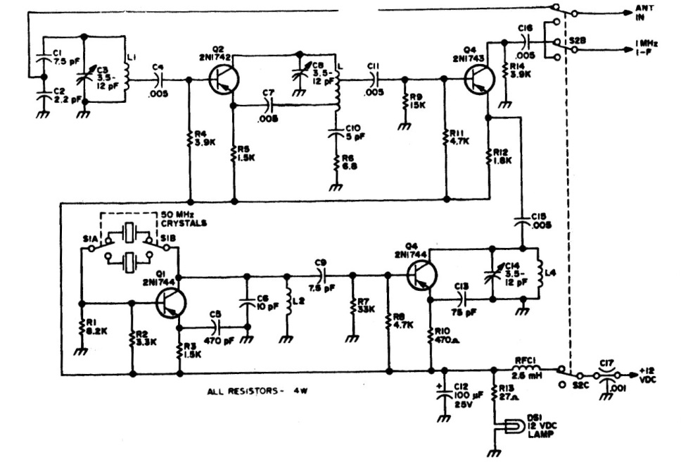
This circuit was found in an American documentation. Its purpose is to modify the tuning range of a car receiver according to the crystals used. A local oscillator makes the beat between the captured signal and the generated signal to obtain reception in a lower frequency range.




