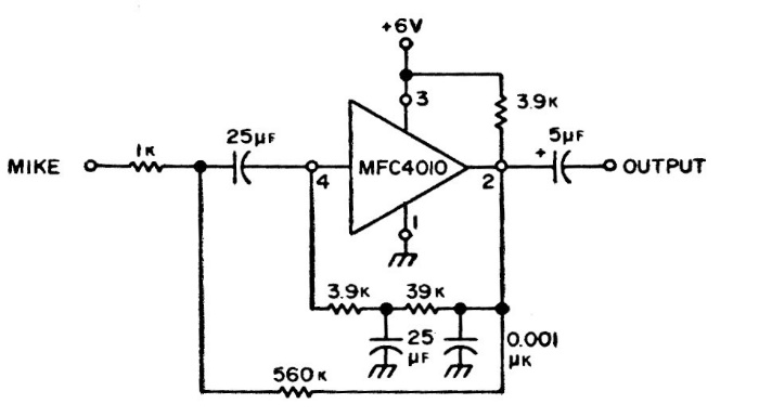
Motorola's MFC4010 integrated circuit is uncommon in the market today, as the application is from 1975 documentation. However, the configuration can be adapted for modern operationals.
We found these circuits in a Popular Electronics from the 90s. The circuit has a simple low power...
This LED diode test is suggested by the Texas Instruments optoelectronics manual. The transformer current...
This RF monitor or field strength meter can use instruments from 100 uA to 1 mA full scale. The...