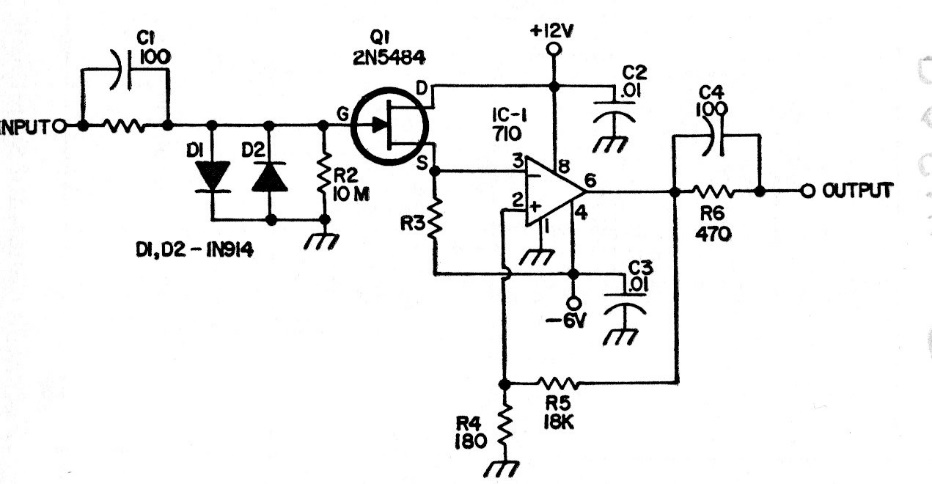
This circuit is used in frequency meters to isolate the input output. The circuit is from old documentation. Equivalent operational amplifiers can be used.
This circuit was taken from a Popular Electronics from the 1990s. The circuit triggers a relay that...
The transformer inf this circuit is a 6 or 9 V unit and diodes 1N4002. The filter capacitor is 2...
This circuit causes a relay to oscillate generating a signal that turns into high voltage in a...