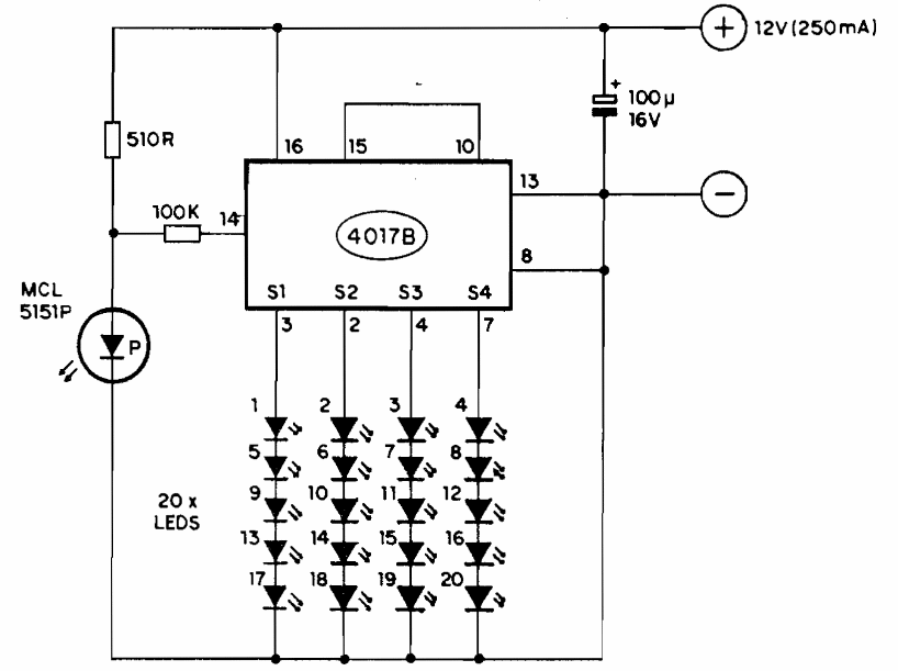
This circuit drives 4 sequences of 5 LEDs that can be of any color. The frequency depends on the characteristics of the photosensor. The circuit is from an 80's documentation.
This is the traditional configuration of a 6 or 12 V source with 7806 or 7812 integrated circuits, for a...
This fader or guitar fading circuit was found in an American documentation from the 1980s. The...
Found in documentation from the 1960s, this power supply employs germanium diodes from the time....