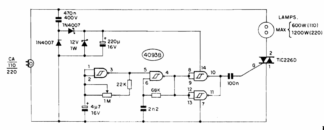
This old circuit is suitable for signaling applications. The lamp must be incandescent, and the triac must be mounted on a heat sink. The frequency is adjusted in the 1 M trimpot.
The oscillator shown generates a signal in the 4.5 MHz band and can be used for audio modulation of TV...
The circuit is from a June 1995 Electronics Now. The relay is power-dependent and both R1 and R2...
The circuit shown was found in a 1995 documentation. This circuit is powered by a voltage of 6 to...