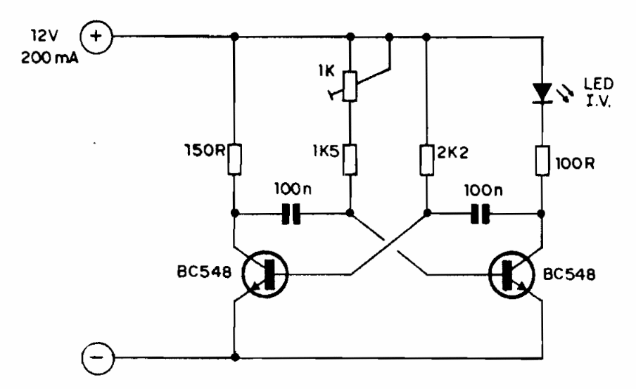
This infrared emitter (pulsating) can be used with several other alarm and remote-control circuits on this site and also with the next circuit (CB20338). The LED is of the type of good power and the frequency adjustment made in the trimpot.
This infrared emitter (pulsating) can be used with several other alarm and remote-control circuits on this site and also with the next circuit (CB20338). The LED is of the type of good power and the frequency adjustment made in the trimpot.