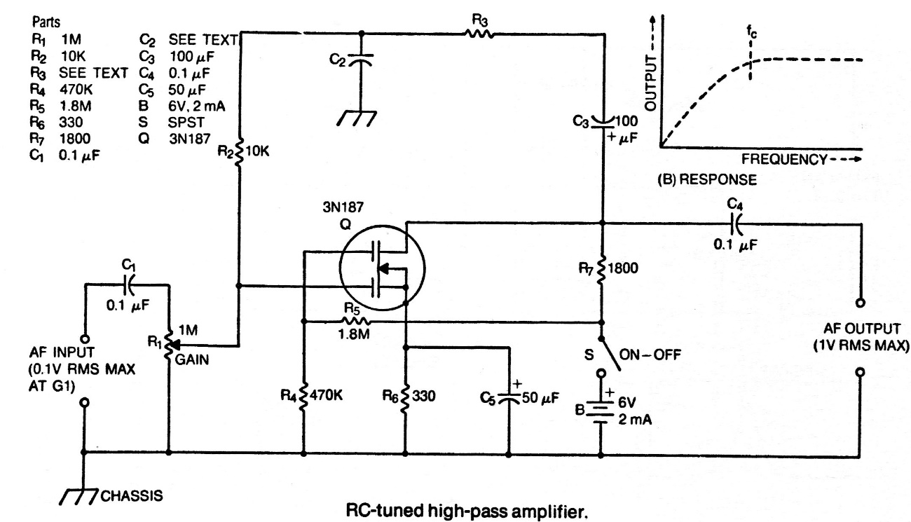
This circuit was found in an American documentation two years 80. The MOSFET is of double port, difficult to obtain now and the circuit has a tuning frequency determined by RC.
This is the traditional configuration of a 6 or 12 V source with 7806 or 7812 integrated circuits, for a...
This fader or guitar fading circuit was found in an American documentation from the 1980s. The...
Found in documentation from the 1960s, this power supply employs germanium diodes from the time....