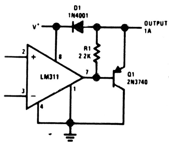
This shield was found in the LM111 factory manual. This component is old, from the 80s, but the configuration can be adapted to be used with modern operationals.

This shield was found in the LM111 factory manual. This component is old, from the 80s, but the configuration can be adapted to be used with modern operationals.
