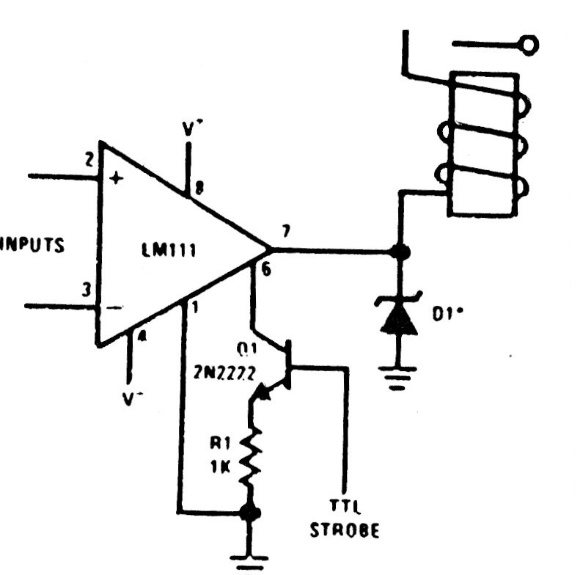
This circuit is from the LM111 manual of the 1980s. The component no longer exists, but equivalents with the same characteristics can be used. The relay is a sensitive type with low drive current.

This circuit is from the LM111 manual of the 1980s. The component no longer exists, but equivalents with the same characteristics can be used. The relay is a sensitive type with low drive current.
