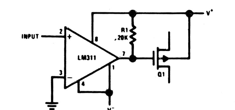
This circuit is from the 80's integrated circuit manual itself. The component is not as common today as the MOS transistor used. The circuit can be adapted for modern applications.
This simple circuit is from a Radio Electronics from July 1965. The circuit can be assembled with...
Found in the May 1975 issue of Radio Electronics magazine, this circuit turns on after a certain...
We found this circuit in a 1965 General Electric documentation. The circuit generates synchronized...