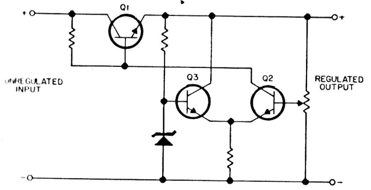
In the figure we have the configuration of a voltage regulator with 3 transistors. The components depend on the desired voltage and current as well as on the characteristics of the transistors.
This high-gain digital amplifier uses general-purpose transistors. The supply voltage is logic...
We found this circuit in the March 1993 issue of Electronis Now magazine. The circuit uses common...
Using an LDR as a sensor and an operational amplifier this circuit was found in the Encyclopedia of...