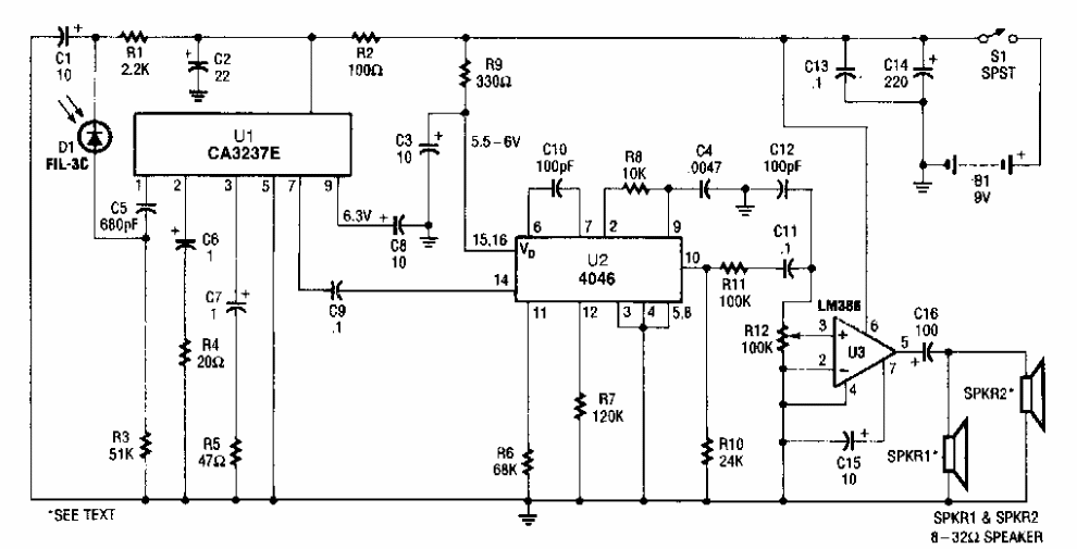
This circuit is from a Popular Electronics from the 90's. The audio amplifier admits equivalent. The others integrated are not very common today.
This is the traditional configuration of a 6 or 12 V source with 7806 or 7812 integrated circuits, for a...
This fader or guitar fading circuit was found in an American documentation from the 1980s. The...
Found in documentation from the 1960s, this power supply employs germanium diodes from the time....