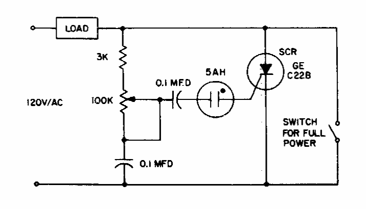
The trigger element of this circuit is a neon lamp. The SCR admits an equivalent. We found it in an American documentation from the 80s.
This is the traditional configuration of a 6 or 12 V source with 7806 or 7812 integrated circuits, for a...
This fader or guitar fading circuit was found in an American documentation from the 1980s. The...
Found in documentation from the 1960s, this power supply employs germanium diodes from the time....