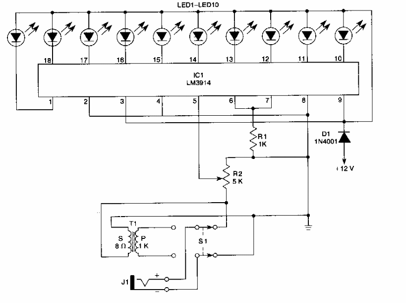
Found in Electronics Now this circuit is indicated for operation at the output of audio amplifiers. The circuit is powered by 12 V from the amplifier itself or from another source.
This trigger circuit is from 80s documentation. Transistors support equivalents and capacitors depend on...
We found this circuit in a publication of 1990. With the changes it can be mounted easily today....
This old VHF TV booster that also serves FM was found in Radio Electronics magazine from April...