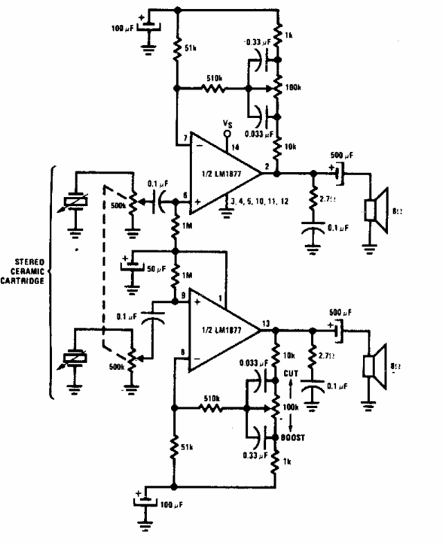
Using an old integrated circuit, this low power amplifier, on the order of a few watts, includes tone control. The circuit can serve as a basis for projects with more modern integrated.

Using an old integrated circuit, this low power amplifier, on the order of a few watts, includes tone control. The circuit can serve as a basis for projects with more modern integrated.
