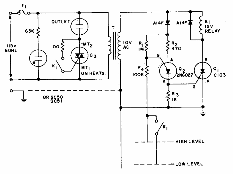
Found in old documentation, this circuit has only the most difficult component to obtain the PUT. The sensors are electrodes placed in the reservoir. The circuit directly controls an AC power load.
This type of oscillator uses an unusual configuration and can be used as a time base, metronome or rhythm...
This circuit of a 73 American magazine from the 1990s can generate multiple frequency signals from the...
This is another one of the many versions of Nicad battery chargers that we have on the website and in...