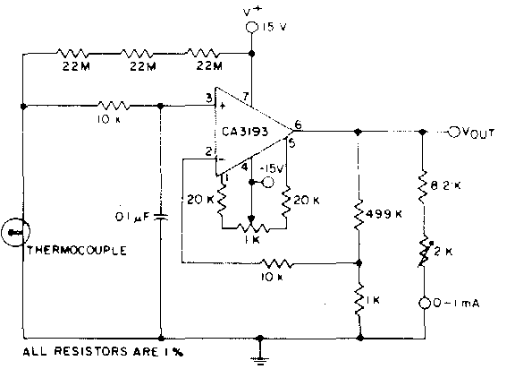
This circuit is from an application of General Electric and RCA of the 80's. The circuit makes use of an unusual operational with FETs, and with that it can use high-value resistors in the determination of the gain.

This circuit is from an application of General Electric and RCA of the 80's. The circuit makes use of an unusual operational with FETs, and with that it can use high-value resistors in the determination of the gain.
