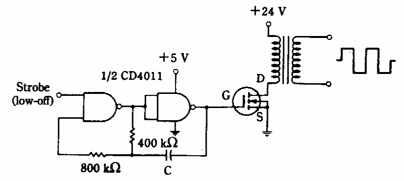
This power inverter or voltage inverter generates high voltage from 24V and 5V supplies. We found it in an old American documentation. Transformer and MOSFET are according to the desired power.
We found this circuit in a 1976 documentation. The FET can be BF245 or MPF102 and the power supply...
This circuit is suitable for applications with short-range remote control. The emitted tone is...
The circuit shown in the figure consists of a fixed buck regulator using the MIC23021 integrated circuit...