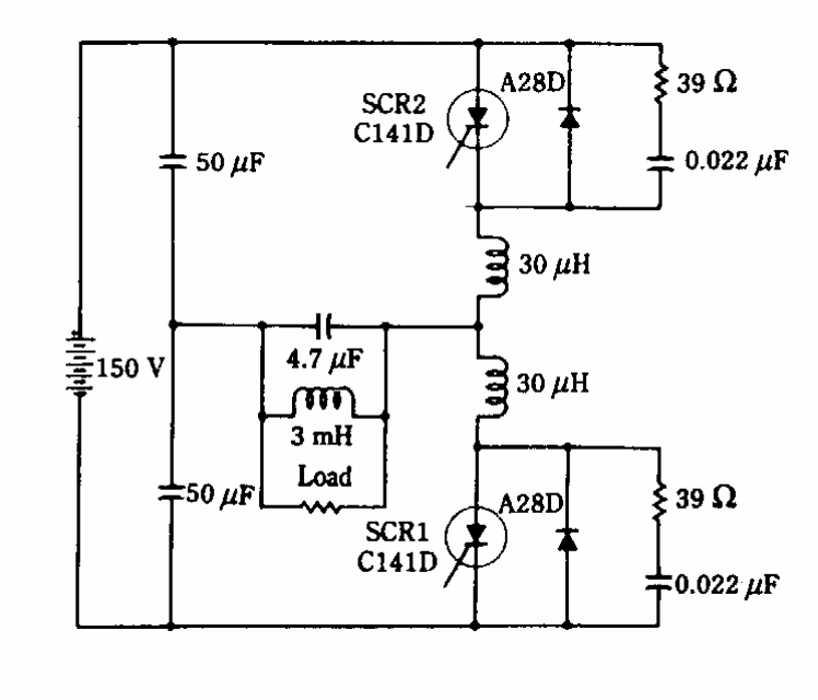
This circuit was obtained from an American documentation from the 90's. Inductors are critical components of the circuit. The output is 120 V sinusoidal.
For the testing of components, on the bench, the presence of an amplifier that provides pure...
This booster for bands up to 30 MHz, depending on the coil, works by approximation. It is suitable for...
The components of this circuit are not common today, as it was obtained in the Linear Applications...