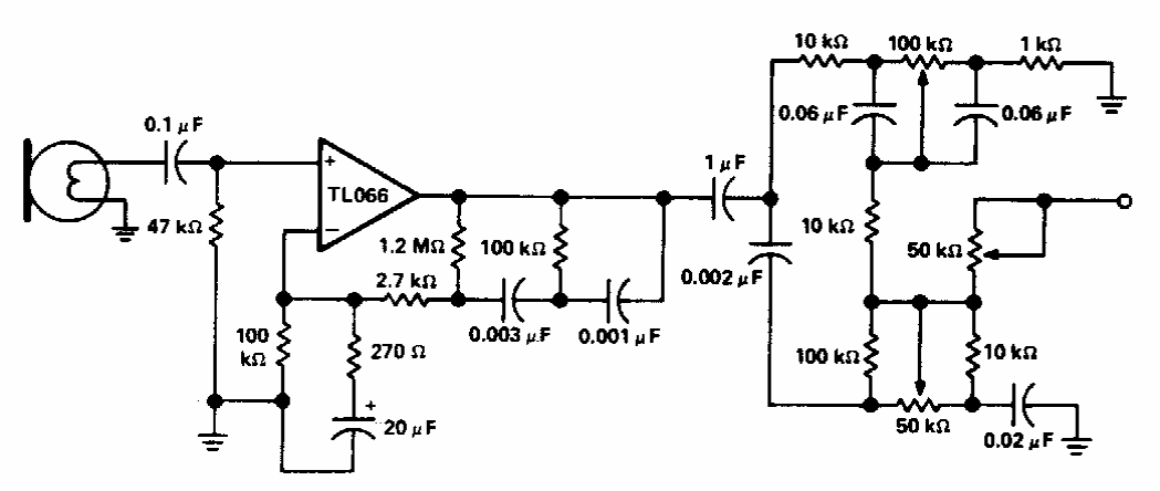
This circuit was found in American documentation from the 1980s. The integrated circuit used is still common today, but equivalents can be used.
This useful instrument has dual function, operating both as signal injector and continuity tester. The...
This fully passive circuit was found in documentation from the 1970s. The circuit uses an optical...
This table with the antenna design allows to size the antenna according to the frequency of the...