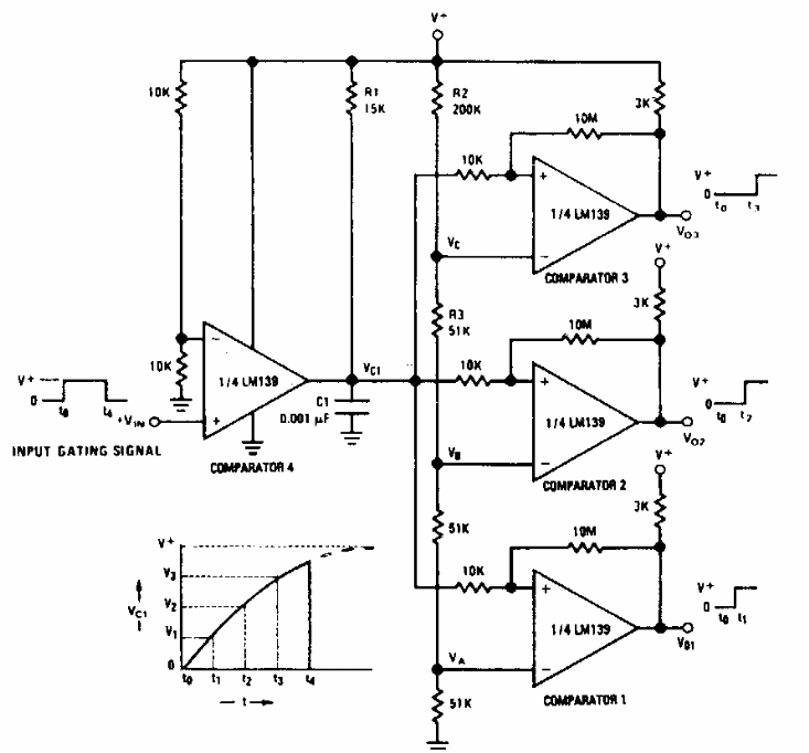
This circuit generates output pulses with sequential delays. The delays can be programmed by the values of the resistors and the capacitor. The supply voltage can typically be between 5 and 12 V.
This timer uses common components today. It activates a relay after intervals that can be adjusted up...
September 2016 - It can be obtained from Mouser Electronics the new ADC AD7779 from Analog Devices with...
Found in Popular Electronics from the 90s, this circuit consists of a timer that turns off the...