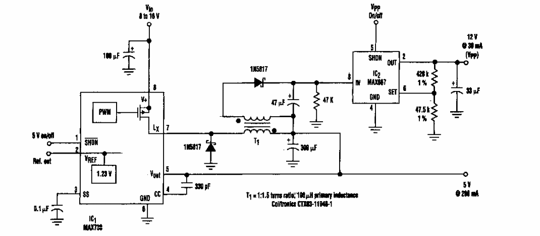
Found in an Electronic Design of the 90's, this circuit provides an additional 12 V output to a 5 V regulator. The maximum current is 200 mA.
We found these circuits in a Popular Electronics from the 90s. The circuit has a simple low power...
This LED diode test is suggested by the Texas Instruments optoelectronics manual. The transformer current...
This RF monitor or field strength meter can use instruments from 100 uA to 1 mA full scale. The...