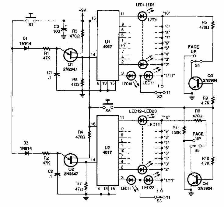
Found in a Popular Electronics from the 80's, this circuit simulates the equivalent card game. The circuit is CMOS and can be supplied with voltages from 6 to 12 V.
n be assembled with BC558 transistors for low power transistors and a BD136 for the output. The...
This low voltage circuit that generates sine signals was obtained from a Texas Instruments integrated...
This circuit controls a fan in the car, according to the temperature, activating it automatically when the...