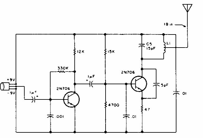
The L1 coil is formed by 4 turns of wire 20 in the form of 0.5 to 0.6 cm without core. The circuit is from an 80's documentation. The range reaches a few tens of meters.
This is the traditional configuration of a 6 or 12 V source with 7806 or 7812 integrated circuits, for a...
This fader or guitar fading circuit was found in an American documentation from the 1980s. The...
Found in documentation from the 1960s, this power supply employs germanium diodes from the time....