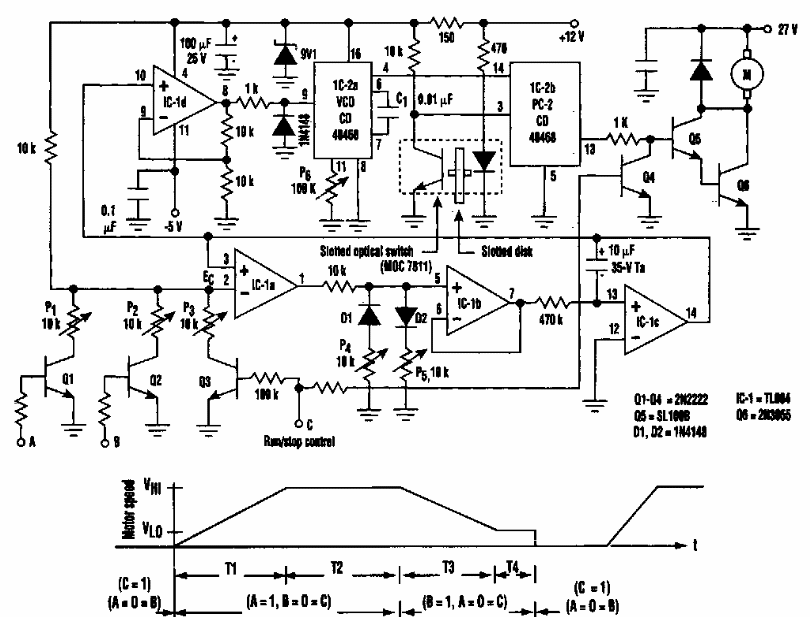
This precision speed control was obtained in an Electronic Design from the 90's. The output final stage power transistors must be in accordance with the motor power.
The 78XX series voltage regulator integrated circuits do not support an input voltage greater than...
This is the complete circuit of a multimeter using a 50 uA instrument with a 2k coil. The circuit...
This circuit came out in a Popular Electronics from December 1995. It is a double T configuration that...