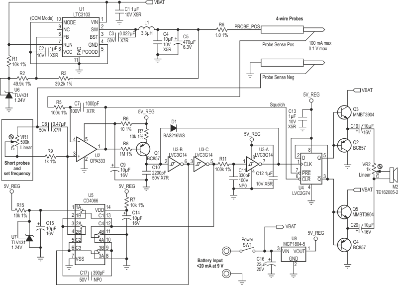
Based on CMOS logic this short-circuit locator circuit uses the ear's ability to detect small changes in pitch, which are caused by variations in millivolts in a track under analysis.
The 78XX series voltage regulator integrated circuits do not support an input voltage greater than...
This is the complete circuit of a multimeter using a 50 uA instrument with a 2k coil. The circuit...
This circuit came out in a Popular Electronics from December 1995. It is a double T configuration that...