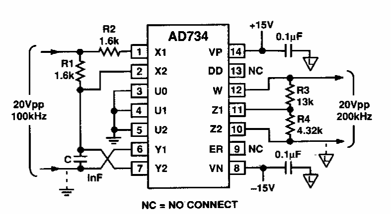
This circuit was obtained from an Analog Devices manual from the 90's. The integrated circuit is from the time.
This circuit is from Signetics' 80s documentation. The circuit generates 100 kHz signals according...
This circuit was found in a Motorola documentation from the 90s. The transistor used is uncommon...
This two-tone buzzer can be powered by a solar panel. The circuit is from a 1991 documentation. The...