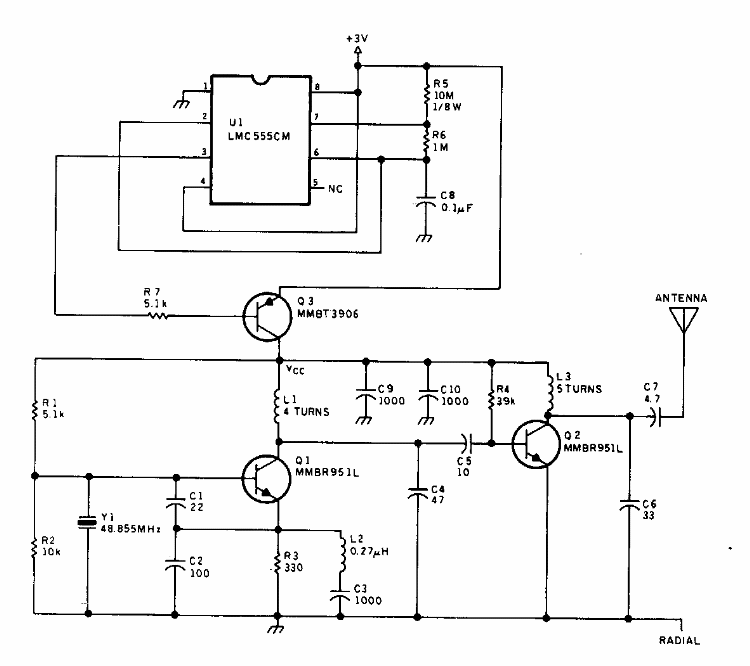
Found in a magazine 73 for radio amateurs from the 90's, this transmitter sends location signals in the VHF band. The frequency depends on the coil, being between 54 and 100 MHz for 5 turns of wire in the form of 0.5 cm without a core.
Found in a magazine 73 for radio amateurs from the 90's, this transmitter sends location signals in the VHF band. The frequency depends on the coil, being between 54 and 100 MHz for 5 turns of wire in the form of 0.5 cm without a core.