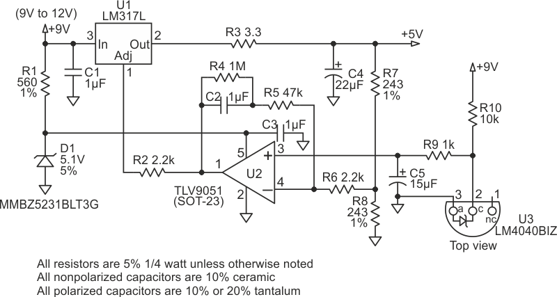
Using the LM317 (or LM350), this circuit is based on precision regulatory components such as those from Texas Instruments, from which the circuit was obtained. The setting shown is specifically for 5V but can be changed for other voltages.
Using the LM317 (or LM350), this circuit is based on precision regulatory components such as those from Texas Instruments, from which the circuit was obtained. The setting shown is specifically for 5V but can be changed for other voltages.