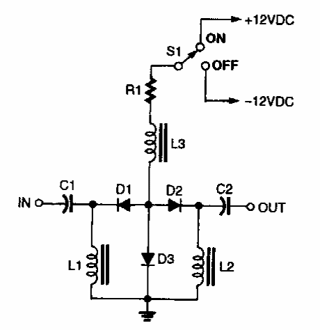
This circuit was found in a Popular Electronics from the 90's. The circuit is connected in series.
The 78XX series voltage regulator integrated circuits do not support an input voltage greater than...
This is the complete circuit of a multimeter using a 50 uA instrument with a 2k coil. The circuit...
This circuit came out in a Popular Electronics from December 1995. It is a double T configuration that...