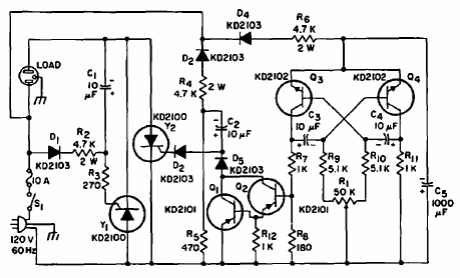
Found in a 1967 RCA manual, the purpose of this circuit is to keep the coffee warm in an electric coffeemaker. The components are from the period.

Found in a 1967 RCA manual, the purpose of this circuit is to keep the coffee warm in an electric coffeemaker. The components are from the period.
