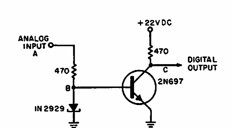
Found in a 1960s Electronic Design, this circuit provides a signal from the sensing of an analog voltage determined by the zener diode.
This sophisticated inverter circuit of excellent performance was found in a French publication in 1995. The...
The integrated circuit used in this application is the Texas Instruments LMV358A, a low voltage...
This circuit is from 80s documentation, using still common CMOS components. The display is 7...