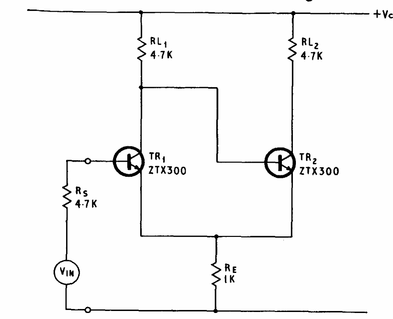
We found this circuit in the 1974 Ferranti transistor manual. Transistors are from the time, being general purpose types.
This sound effect circuit was obtained from an article in the April 1969 issue of Radio...
Found in a 1990 Electronics Handbook, this circuit causes an LED to flash when the phototransistor receives...
Found in the May 1997 issue of Electronics Now, this circuit produces a variety of sound effects for...