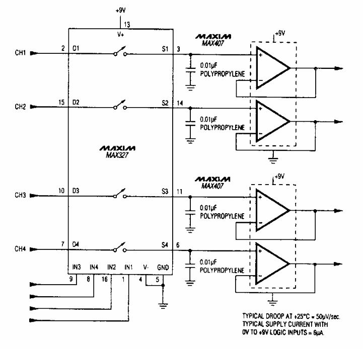
We found this circuit in a Maxim documentation from the 90s. The 4-channel circuit uses a component of the time and has a supply current of only 6 uA.
This sound effect circuit was obtained from an article in the April 1969 issue of Radio...
Found in a 1990 Electronics Handbook, this circuit causes an LED to flash when the phototransistor receives...
Found in the May 1997 issue of Electronics Now, this circuit produces a variety of sound effects for...