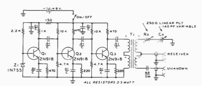
This circuit combines several white noise generators for testing transmission equipment. The circuit is from a 1977 documentation.

This circuit combines several white noise generators for testing transmission equipment. The circuit is from a 1977 documentation.
