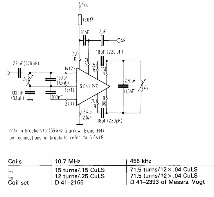
Found in the 1976 Siemens transistors manual, this circuit works with AM or FM IF signals. In the diagram information is given for the coils.
This is one of the channels of an amplifier suggested by Westinghouse in 1970s documentation. The circuit...
The basis of this circuit is a double T in the feedback, which has the components calculated to...
This circuit was obtained from American documentation from the 1990s. The transformer can be a car...