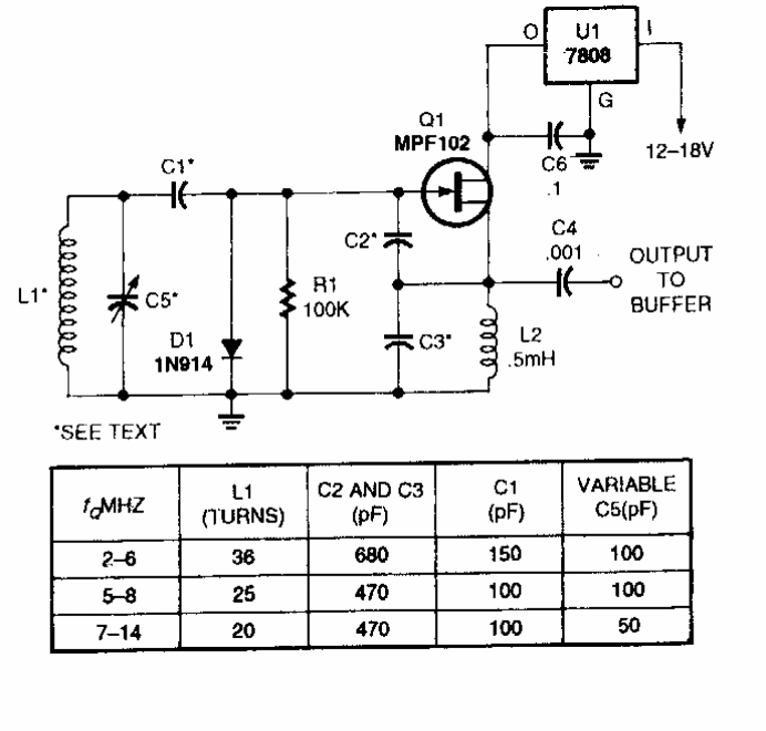
This circuit was found in a Popular Electronics from the 90's. The frequencies depend on the components indicated in the table next to the diagram.
This circuit shows on the screen of an oscilloscope two signals alternately at a frequency that depends...
This circuit is from a Radio Electronics from August 1992. The transistor used allows the control of...
This circuit measures the strength of audio signals. We found it in an American publication from...